
Art.Nr.: N-3324024253
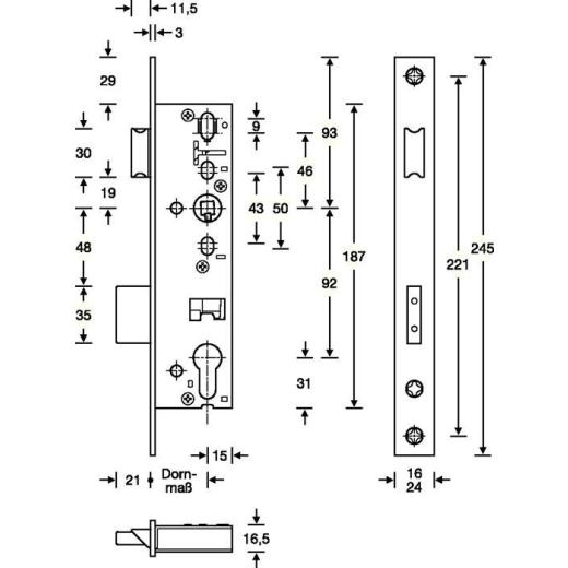
Schlosskasten aus Stahl oben und unten geschlossen · durchgehende Beschlagbohrung oberhalb der Schlossnuss · Späneschutzhülsen · 1-tourig mit stabilem Riegel · Riegelausschluss 21 mm · DIN links und rechts verwendbar · Anschlagrichtung umstellbar · vorgerichtet für Profilzylinder, mit Wechsel · Entfernung 92 mm · 8 mm Klemmnuss · Falle und Riegel vernickelt · Stulp auf Mitte · Stulplänge 245 mm · käntig · Hinterdornmaß 15 mm · Klassifizierungsschlüssel nach EN 12 209 vorhanden
Weitere technische Eigenschaften
· Riegel: Metall · Stulpbreite: 24mm · Wechsel: mit Wechsel · Lochung: PZW · RR-Einsteckschl.PZW · 24/30/92/8mm DIN L/R VA ·
Technische Daten
| Anschlagrichtung | DIN links / rechts |
| Dornmaß | 30 |
| Stulpausführung | käntig |
| Stulplänge | 245 |
| Entfernung | 92 |
| Vierkant | 8 |
| Stulp | Edelstahl |
| Falleneigenschaft | Standardfalle |
| Hinterdornmaß | 15 |
| Drückernuss | Klemmnuss |
| Norm | 18251 |
| Schlosskasten | oben und unten geschlossen |
| Schlossriegel | 1-tourig |
| Riegelausschluss | 21 |
| Falle | Metall |
| Klasse | 3 |
| Marke | SSF |
Sächsische Schlossfabrik GmbH · Am Pappelhain 10 · 04539 Groitzsch · Deutschland · info@ssf.de
55,89 EUR
inkl. 19 % MwSt. zzgl. Versandkosten