
Art.Nr.: N-3324030988
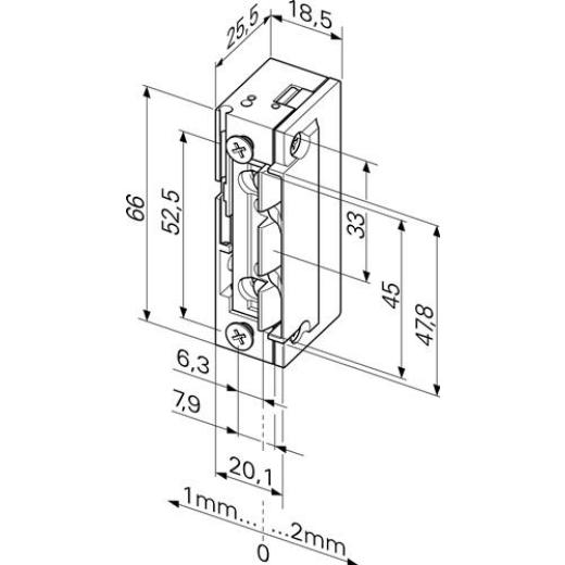
Radiusfalle, FaFix® 3 mm verstellbar · Universalspannungen · kompatibel zu gängigen Einsteckschlössern · kompatibel zu ProFix® 2 Schließblechen · symmetrische Bauform · DIN links/rechts, sowie waagerecht einsetzbar
Weitere technische Eigenschaften
· Aufbruchfestigkeit: 3750N · Elektrotüröffner 118E.13 · ProFix 2 10-24 V AC/DC · Stand.DIN L/R m.FaFix ·
Technische Daten
| Modell | 118E.13 ProFix 2 |
| Tagesentriegelung | ja |
| Nennspannungsbereich | 10-24 |
| Ausführung | Standard |
| Anschlagrichtung | DIN links / rechts |
| Fallenausführung | mit FaFix |
| Betriebstemperatur | -15 - 40 |
| Funktion | Arbeitsstrom |
| Bauform | symmetrisch |
| Nennwiderstand | 43 |
| Stromaufnahme | bei 12 V DC 280 mA / bei 24 V DC 560 mA |
| Marke | ASSA ABLOY |
ASSA ABLOY Sicherheitstechnik GmbH · Bildstockstr. 20 · 72458 Albstadt · Deutschland · albstadt@assaabloy.com
105,90 EUR
inkl. 19 % MwSt. zzgl. Versandkosten